Produktnummer: Z.KS.ST.AVQ6404
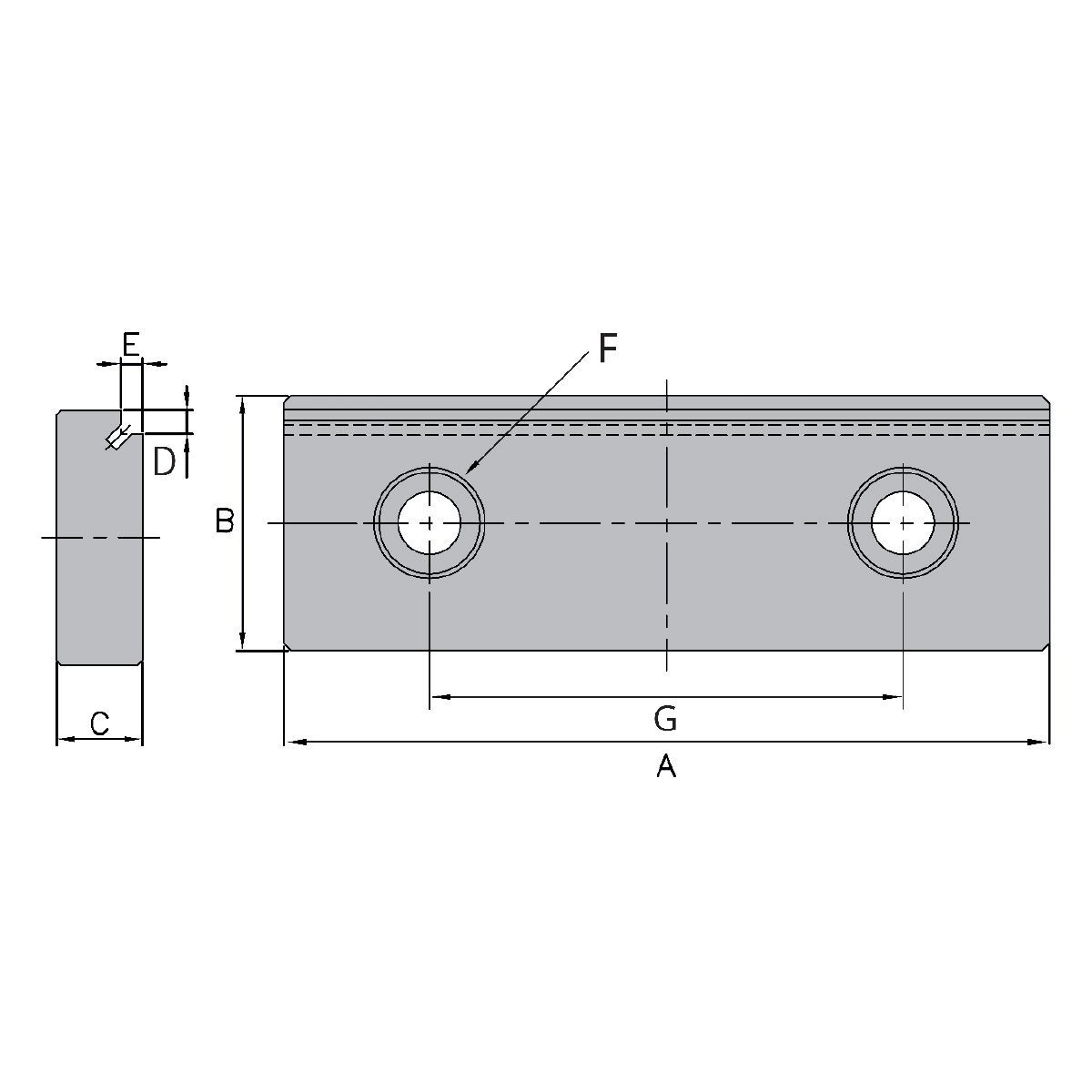
Produktinformationen "Stufenbacken (Paar) für AVQ-160 | AVL-160 | ALQ-160"
Verwendung:
Für das horizontale Spannen von flachen Werkstücken
| A: | 159,2 |
|---|---|
| Ausführung: | AVQ-160 | AVL-160 | ALQ-160 |
| B: | 53 |
| C: | 18 |
| D: | 5 |
| E: | 4,5 |
| F: | M12 x 1,75 P |
| G: | 98,4 |



