Produktnummer: Z.KS.82834
Produktinformationen "Scheiben DIN 6340 M10"
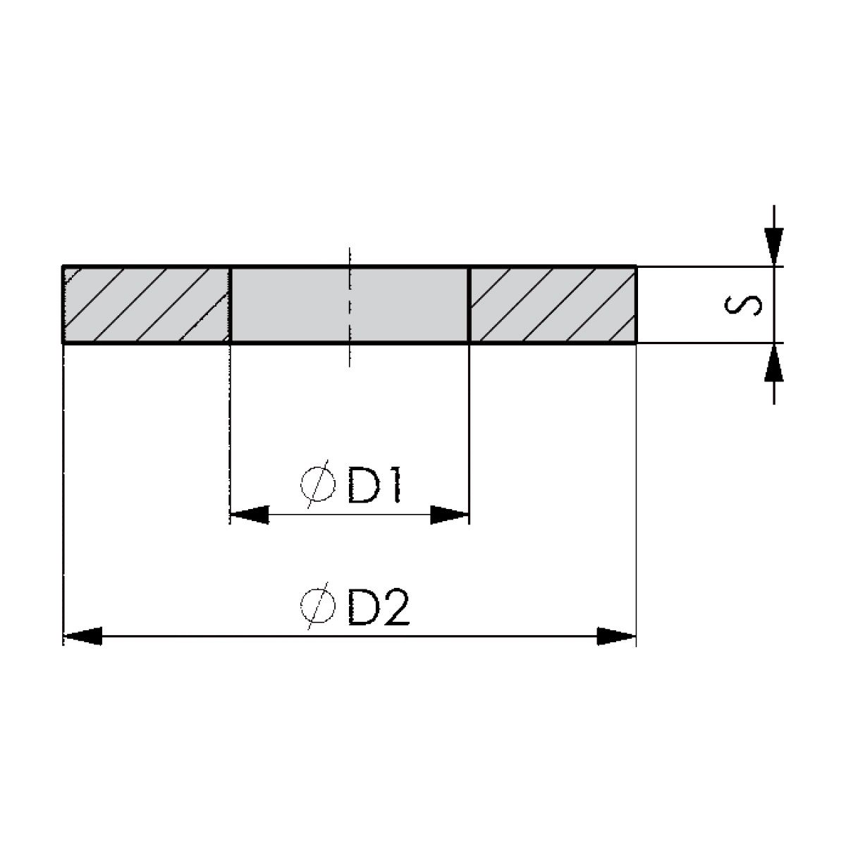
Ausführung:
Extra stark, plan gepresst und gehärtet, Kanten gebrochen.
Verwendung:
Besonders geeignet für Spanneisen.
Speziell für den Vorrichtungsbau.
Norm:
DIN 6340
| Ausführung: | M10 |
|---|---|
| D1: | 10,5 |
| D2: | 28 |
| S: | 4 |





