Produktinformationen "Gefederte Mitlaufende Präzisions-Drehbankspitze TYP 701 - Serie 701"
Gefederte Präzisions-Drehbankspitze Typ 701 – Reihe 701
Produktbeschreibung
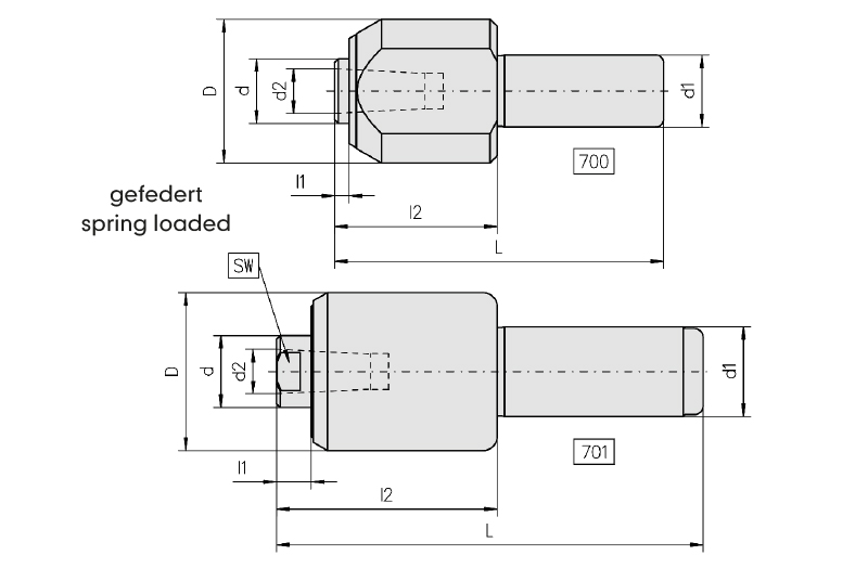
Die gefederte mitlaufende Präzisions-Drehbankspitze Typ 701 aus der Reihe 701 wurde für anspruchsvolle Bearbeitungsaufgaben entwickelt. Die gefederte Ausführung erlaubt einen axialen Längenausgleich und sorgt für höchste Präzision. Die Einsätze können durch gegenseitiges Verdrehen mit zwei Gabelschlüsseln an den Schlüsselflächen von Achse und Einsatz gewechselt werden. Das komplette Werkzeug ist gehärtet und geschliffen, ausgestattet mit wartungsfreier Dauerschmierung und durch einen Wellendichtring vor Schmutz und Kühlflüssigkeit geschützt.
Wichtige Merkmale
- Gefederte Ausführung: Axialer Längenausgleich für präzise Ergebnisse.
- Austauschbare Einsätze: Einfacher Wechsel durch Verdrehen mit zwei Gabelschlüsseln.
- Robust und langlebig: Komplett gehärtet und geschliffen.
- Wartungsfrei: Dauerschmierung sorgt für langfristige Zuverlässigkeit.
- Schutz: Wellendichtring verhindert Schmutz- und Flüssigkeitseindringen.
Technische Daten
| Eigenschaft | Wert |
|---|---|
| Shank | 1″ |
| Durchmesser (D) | 44 mm |
| Spitzendurchmesser (d) | 20 mm |
| Durchmesser (d1) | 25,40 mm |
| Gesamtlänge (L) | 118 mm |
| Länge (l1) | 10 mm |
| Länge (l2) | 61 mm |
| Federweg | 3,0 mm |
| Max. Drehzahl | 3000 1/min |
| Max. Werkstückgewicht | 300 kg |
| Rundlauf-Abweichung | 0,01 mm |
| Max. Axialdruck | 1,05 kN |
| Passende Einsätze | E923 |
Vorteile der Drehbankspitze Typ 701
Die Drehbankspitze Typ 701 bietet Präzision, Flexibilität und Langlebigkeit und eignet sich ideal für industrielle Anwendungen.
- Präzision: Perfekte Bearbeitungsergebnisse durch axialen Längenausgleich.
- Flexibilität: Austauschbare Einsätze für vielseitige Anwendungen.
- Langlebig: Gehärtete Konstruktion mit wartungsfreier Schmierung.
- Schutz: Wellendichtring schützt vor Schmutz und Flüssigkeiten.
Anwendungsbereiche
Die gefederte Präzisions-Drehbankspitze Typ 701 wird bevorzugt in industriellen Bearbeitungsprozessen eingesetzt, die hohe Anforderungen an Präzision und Zuverlässigkeit stellen.



