Produktinformationen "Gefederte Mitlaufende Präzisions-Drehbankspitze TYP 701 D25 - Serie 701"
Gefederte Präzisions-Drehbankspitze Typ 701 D25 – Reihe 701
Produktbeschreibung
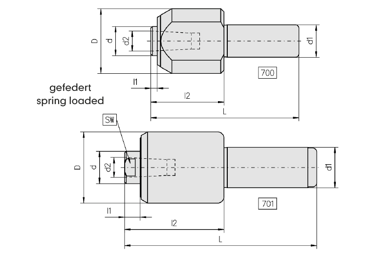
Die gefederte mitlaufende Präzisions-Drehbankspitze Typ 701 D25 aus der Reihe 701 ist für anspruchsvolle Bearbeitungsaufgaben konzipiert. Die gefederte Ausführung ermöglicht einen axialen Längenausgleich während der Bearbeitung und sorgt für höchste Präzision. Die auswechselbaren Einsätze bieten maximale Flexibilität und können durch Verdrehen mit zwei Gabelschlüsseln an den Schlüsselflächen von Achse und Einsatz einfach gewechselt werden. Das Werkzeug ist vollständig gehärtet und geschliffen, ausgestattet mit wartungsfreier Dauerschmierung und durch einen Wellendichtring vor Schmutz und Kühlflüssigkeit geschützt.
Wichtige Merkmale
- Gefederte Ausführung: Ermöglicht axialen Längenausgleich für präzise Ergebnisse.
- Austauschbare Einsätze: Einfacher Wechsel durch Verdrehen mit Gabelschlüsseln.
- Robust: Gehärtet und geschliffen für maximale Langlebigkeit.
- Wartungsfrei: Ausgestattet mit Dauerschmierung.
- Schutz: Wellendichtring verhindert Schmutz- und Flüssigkeitseindringen.
Technische Daten
| Eigenschaft | Wert |
|---|---|
| Shank | 25 mm |
| Durchmesser (D) | 44 mm |
| Spitzendurchmesser (d) | 20 mm |
| Durchmesser (d1) | 25,00 mm |
| Gesamtlänge (L) | 118 mm |
| Länge (l1) | 10 mm |
| Länge (l2) | 61 mm |
| Federweg | 3,0 mm |
| Max. Drehzahl | 3000 1/min |
| Max. Werkstückgewicht | 300 kg |
| Rundlauf-Abweichung | 0,01 mm |
| Max. Axialdruck | 1,05 kN |
| Passende Einsätze | E923 |
Vorteile der Drehbankspitze Typ 701 D25
Die Drehbankspitze Typ 701 D25 bietet Präzision, Flexibilität und Langlebigkeit und ist ideal für industrielle Anwendungen geeignet.
- Exakte Ergebnisse: Axialer Längenausgleich sorgt für präzise Bearbeitungen.
- Flexibel: Austauschbare Einsätze für vielseitige Anwendungen.
- Robust: Gehärtete und geschliffene Konstruktion garantiert Langlebigkeit.
- Wartungsfrei: Kein zusätzlicher Wartungsaufwand erforderlich.
- Geschützt: Wellendichtring verhindert Schäden durch Schmutz und Flüssigkeiten.
Anwendungsbereiche
Die Drehbankspitze Typ 701 D25 wird bevorzugt in präzisen industriellen Bearbeitungsprozessen eingesetzt, die hohe Anforderungen an Genauigkeit und Zuverlässigkeit stellen.


.jpg)
.jpg)