Produktinformationen "Gefederte Mitlaufende Präzisions-Drehbankspitze TYP 701 D20 - Serie 701"
Gefederte Präzisions-Drehbankspitze Typ 701 D20 – Reihe 701
Produktbeschreibung
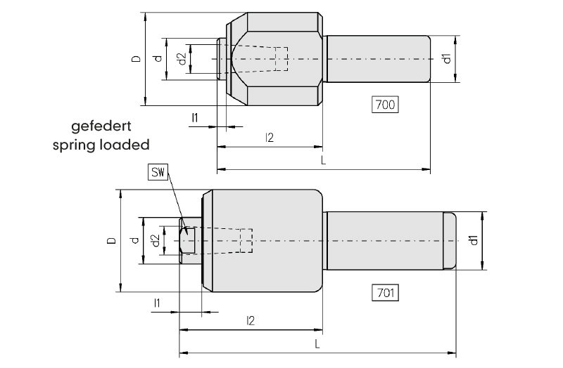
Die gefederte mitlaufende Präzisions-Drehbankspitze Typ 701 D20 aus der Reihe 701 ist für hochpräzise Bearbeitungsaufgaben konzipiert. Durch die gefederte Ausführung wird ein axialer Längenausgleich während der Bearbeitung ermöglicht, der höchste Präzision gewährleistet. Der Wechsel der Einsätze erfolgt einfach durch gegenseitiges Verdrehen mit zwei Gabelschlüsseln an den Schlüsselflächen von Achse und Einsatz. Das Werkzeug ist vollständig gehärtet, geschliffen und dank wartungsfreier Dauerschmierung langlebig. Ein Wellendichtring schützt vor dem Eindringen von Schmutz und Kühlflüssigkeit.
Wichtige Merkmale
- Gefederte Ausführung: Axialer Längenausgleich für präzise Bearbeitungsergebnisse.
- Austauschbare Einsätze: Einfacher Wechsel durch Verdrehen mit Gabelschlüsseln.
- Robuste Konstruktion: Komplett gehärtet und geschliffen.
- Wartungsfrei: Dauerschmierung garantiert Langlebigkeit.
- Schutz: Wellendichtring verhindert das Eindringen von Schmutz und Flüssigkeiten.
Technische Daten
| Eigenschaft | Wert |
|---|---|
| Shank | 20 mm |
| Durchmesser (D) | 44 mm |
| Spitzendurchmesser (d) | 20 mm |
| Durchmesser (d1) | 20,00 mm |
| Gesamtlänge (L) | 118 mm |
| Länge (l1) | 10 mm |
| Länge (l2) | 61 mm |
| Federweg | 3,0 mm |
| Max. Drehzahl | 3000 1/min |
| Max. Werkstückgewicht | 300 kg |
| Rundlauf-Abweichung | 0,01 mm |
| Max. Axialdruck | 1,05 kN |
| Passende Einsätze | E923 |
Vorteile der Drehbankspitze Typ 701 D20
Die Drehbankspitze Typ 701 D20 bietet eine hervorragende Kombination aus Präzision, Robustheit und Flexibilität und ist ideal für industrielle Bearbeitungsprozesse geeignet.
- Präzision: Axialer Längenausgleich garantiert exakte Ergebnisse.
- Flexibilität: Austauschbare Einsätze für vielseitige Anwendungen.
- Robustheit: Gehärtete und geschliffene Konstruktion für Langlebigkeit.
- Schutz: Wellendichtring verhindert Schmutz- und Flüssigkeitseindringung.
- Wartungsfrei: Kein zusätzlicher Wartungsaufwand erforderlich.
Anwendungsbereiche
Die Drehbankspitze Typ 701 D20 eignet sich für hochpräzise Bearbeitungsaufgaben in industriellen Fertigungsumgebungen, bei denen höchste Ansprüche an Genauigkeit und Zuverlässigkeit gestellt werden.


.jpg)
.jpg)