Produktinformationen "Gefederte Mitlaufende Präzisions-Drehbankspitze TYP 700 - Serie 700"
Gefederte Präzisions-Drehbankspitze Typ 700 – Reihe 700
Produktbeschreibung
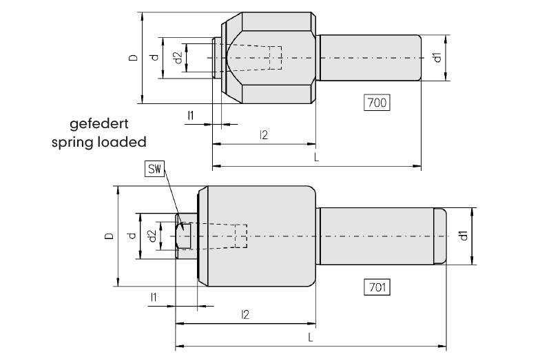
Die gefederte mitlaufende Präzisions-Drehbankspitze Typ 700 aus der Reihe 700 wurde für höchste Präzision bei der Bearbeitung entwickelt. Die gefederte Ausführung ermöglicht einen axialen Längenausgleich während der Bearbeitung. Sie bietet maximale Flexibilität durch austauschbare Einsätze, die einfach mittels Austreibkeil gewechselt werden können. Das komplette Werkzeug ist gehärtet und geschliffen und verfügt über eine wartungsfreie Dauerschmierung. Ein Wellendichtring schützt vor dem Eindringen von Schmutz und Kühlflüssigkeit.
Wichtige Merkmale
- Gefederte Ausführung: Axialer Längenausgleich für präzise Bearbeitung.
- Austauschbare Einsätze: Flexibilität und einfache Handhabung durch Wechsel mit Austreibkeil.
- Gehärtet und geschliffen: Robuste Konstruktion für langlebigen Einsatz.
- Wartungsfrei: Dauerschmierung sorgt für Zuverlässigkeit.
- Schutz: Wellendichtring verhindert Eindringen von Schmutz und Kühlflüssigkeit.
Technische Daten
| Eigenschaft | Wert |
|---|---|
| Shank | 3/4″ |
| Durchmesser (D) | 40 mm |
| Spitzendurchmesser (d) | 18 mm |
| Durchmesser (d1) | 19,05 mm |
| Gesamtlänge (L) | 91 mm |
| Länge (l1) | 4 mm |
| Länge (l2) | 45 mm |
| Federweg | 2,4 mm |
| Max. Drehzahl | 4000 1/min |
| Max. Werkstückgewicht | 200 kg |
| Rundlauf-Abweichung | 0,01 mm |
| Max. Axialdruck | 1,05 kN |
| Passende Einsätze | E923 |
Vorteile der Drehbankspitze Typ 700
Die Drehbankspitze Typ 700 überzeugt durch Präzision, Langlebigkeit und Flexibilität. Sie ist ideal für den industriellen Einsatz und anspruchsvolle Bearbeitungsaufgaben.
- Exakte Ergebnisse: Axialer Längenausgleich sorgt für präzise Bearbeitung.
- Robust: Komplett gehärtet und geschliffen für maximale Langlebigkeit.
- Wartungsfrei: Keine zusätzliche Pflege dank Dauerschmierung.
- Flexibel: Austauschbare Einsätze für vielseitige Anwendungen.
- Geschützt: Wellendichtring verhindert Schäden durch Schmutz und Flüssigkeiten.
Anwendungsbereiche
Die gefederte Präzisions-Drehbankspitze Typ 700 eignet sich für präzise Dreh- und Bearbeitungsaufgaben in


.jpg)
.jpg)