Produktinformationen "Gefederte Mitlaufende Präzisions-Drehbankspitze TYP 700 D20 - Serie 700"
Gefederte Präzisions-Drehbankspitze Typ 700 D20 – Reihe 700
Produktbeschreibung
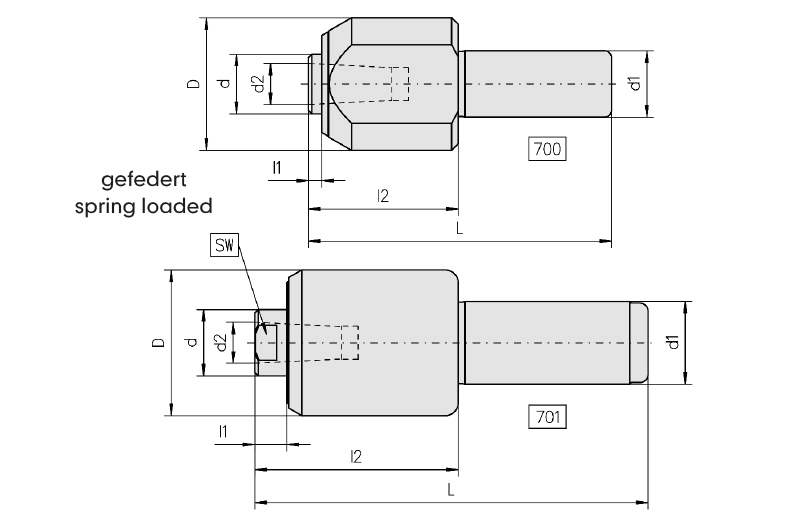
Die gefederte mitlaufende Präzisions-Drehbankspitze Typ 700 D20 aus der Reihe 700 ist für präzise Bearbeitungsaufgaben konzipiert. Sie ermöglicht durch ihre gefederte Ausführung einen axialen Längenausgleich während der Bearbeitung und garantiert dadurch höchste Präzision. Mit austauschbaren Einsätzen bietet sie maximale Flexibilität, und der Wechsel erfolgt einfach durch einen Austreibkeil. Das Werkzeug ist vollständig gehärtet und geschliffen, mit wartungsfreier Dauerschmierung ausgestattet und durch einen Wellendichtring gegen Schmutz und Kühlflüssigkeit geschützt.
Wichtige Merkmale
- Gefederte Ausführung: Axialer Längenausgleich für präzise Bearbeitung.
- Austauschbare Einsätze: Flexible Nutzung, einfach wechselbar mit Austreibkeil.
- Robuste Konstruktion: Komplett gehärtet und geschliffen.
- Wartungsfrei: Dauerschmierung sorgt für Langlebigkeit.
- Schutz: Wellendichtring verhindert das Eindringen von Schmutz und Flüssigkeiten.
Technische Daten
| Eigenschaft | Wert |
|---|---|
| Shank | 20 mm |
| Durchmesser (D) | 40 mm |
| Spitzendurchmesser (d) | 18 mm |
| Durchmesser (d1) | 20,00 mm |
| Gesamtlänge (L) | 91 mm |
| Länge (l1) | 4 mm |
| Länge (l2) | 45 mm |
| Federweg | 2,4 mm |
| Max. Drehzahl | 4000 1/min |
| Max. Werkstückgewicht | 200 kg |
| Rundlauf-Abweichung | 0,01 mm |
| Max. Axialdruck | 1,05 kN |
| Passende Einsätze | E923 |
Vorteile der Drehbankspitze Typ 700 D20
Die Drehbankspitze Typ 700 D20 bietet Präzision, Langlebigkeit und Flexibilität und ist ideal für anspruchsvolle Bearbeitungsaufgaben geeignet.
- Präzision: Exakte Bearbeitung durch axialen Längenausgleich.
- Flexibilität: Anpassbar durch austauschbare Einsätze.
- Robust: Gehärtete und geschliffene Konstruktion.
- Wartungsfrei: Keine zusätzliche Pflege erforderlich.
- Geschützt: Vor Schmutz und Flüssigkeiten durch Wellendichtring.
Anwendungsbereiche
Die gefederte Präzisions-Drehbankspitze Typ 700 D20 wird bevorzugt in der präzisen Bearbeitung von Werkstücken in industriellen Fertigungsumgebungen eingesetzt, die hohe Anforderungen an Präzision und Flexibilität stellen.


.jpg)
.jpg)