Produktinformationen "Gefederte Mitlaufende Präzisions-Drehbankspitze TYP 700 D19 - Serie 700 "
Gefederte Präzisions-Drehbankspitze Typ 700 D19 – Reihe 700
Produktbeschreibung
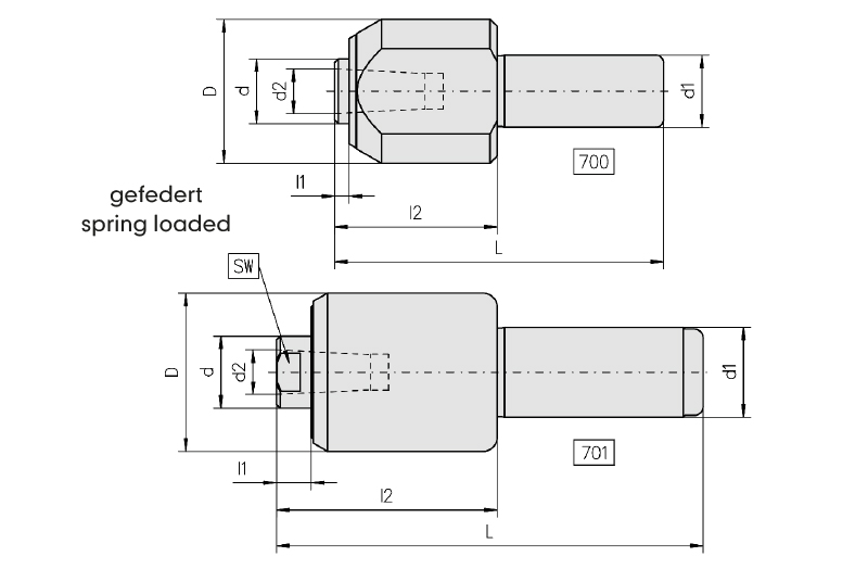
Die gefederte mitlaufende Präzisions-Drehbankspitze Typ 700 D19 aus der Reihe 700 ist speziell für präzise Bearbeitungsaufgaben konzipiert. Ihre gefederte Ausführung erlaubt einen axialen Längenausgleich während der Bearbeitung, was höchste Präzision garantiert. Mit austauschbaren Einsätzen bietet sie maximale Flexibilität. Die Einsätze können durch einen Austreibkeil leicht gewechselt werden. Das Werkzeug ist vollständig gehärtet und geschliffen und dank wartungsfreier Dauerschmierung besonders langlebig. Ein Wellendichtring schützt vor dem Eindringen von Schmutz und Kühlflüssigkeit.
Wichtige Merkmale
- Gefederte Ausführung: Ermöglicht axialen Längenausgleich für präzise Ergebnisse.
- Austauschbare Einsätze: Maximale Flexibilität und einfacher Wechsel mit Austreibkeil.
- Robuste Konstruktion: Gehäuse gehärtet und geschliffen.
- Wartungsfrei: Ausgestattet mit Dauerschmierung.
- Geschützt: Wellendichtring verhindert Schmutz- und Flüssigkeitseindringen.
Technische Daten
| Eigenschaft | Wert |
|---|---|
| Shank | 19 mm |
| Durchmesser (D) | 40 mm |
| Spitzendurchmesser (d) | 18 mm |
| Durchmesser (d1) | 19,00 mm |
| Gesamtlänge (L) | 91 mm |
| Länge (l1) | 4 mm |
| Länge (l2) | 45 mm |
| Federweg | 2,4 mm |
| Max. Drehzahl | 4000 1/min |
| Max. Werkstückgewicht | 200 kg |
| Rundlauf-Abweichung | 0,01 mm |
| Max. Axialdruck | 1,05 kN |
| Passende Einsätze | E923 |
Vorteile der Drehbankspitze Typ 700 D19
Die Drehbankspitze Typ 700 D19 bietet Präzision, Robustheit und Flexibilität und ist perfekt für anspruchsvolle industrielle Bearbeitungen geeignet.
- Präzise Bearbeitung: Axialer Längenausgleich garantiert exakte Ergebnisse.
- Langlebig: Komplett gehärtet und geschliffen.
- Flexibel: Austauschbare Einsätze für vielseitige Anwendungen.
- Wartungsfrei: Keine zusätzliche Pflege durch Dauerschmierung erforderlich.
- Geschützt: Vor Schmutz und Flüssigkeiten gesichert durch Wellendichtring.
Anwendungsbereiche
Die gefederte Präzisions-Drehbankspitze Typ 700 D19 wird in der präzisen Bearbeitung von Werkstücken in Werkstätten und industriellen Fertigungsumgebungen eingesetzt, die höchste Anforderungen an Genauigkeit und Flexibilität stellen.


.jpg)
.jpg)