Produktnummer: EMP13-063x53-A27-AN15-03-A
Produktinformationen "Eckfräser EMP13 Kr: 90° "
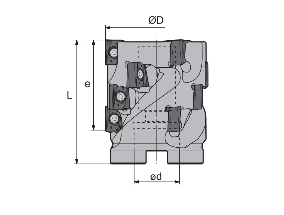
Eckfräser EMP13 Kr: 90°
Neue Eckfräsergeneration
Merkmale:
- Speziell entwickelte Schneidkanten für hochwertiges 90° Eckfräsen
- Extra dicke Wendeschneidplatten zur Verbesserung der Bruchfestigkeit
- Positiv weich schneidende Geometrie für reduzierte Schnittkräfte
- Polierte, hochpräzise Geometrie für Aluminiumlegierungen, Stahl und Gusseisen
- Durchmesserbereich ø 50 - 80 mm
- Für Stahl, Gusseisen und NE-Metalle
- Doppelseitige, extra dicke Wendeschneidplatte für große Spantiefen bei hoher Bruchsicherheit
- Wendeschneidplatten mit vier Schneiden





